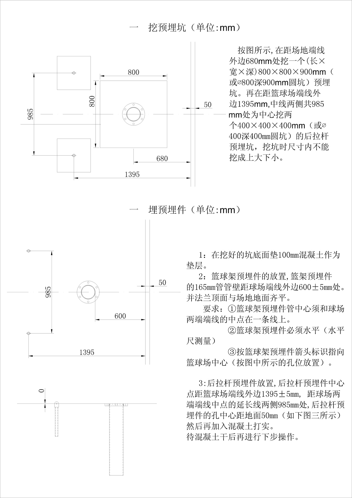
地埋圓管籃架安裝說明




星空(中國)xingkong·官方網站于2009年8月創(chuàng)建,公司擁有3800平方米的標準生產廠房和辦公樓。擁有一批高素質的員工團隊,裝備了成套先進技術的生產設備。
查看更多

星空(中國)xingkong·官方網站 地址:四川省成都市金堂縣九龍工業(yè)園區(qū)
028-67930056 13881979667(許先生) 13708205805(陳女士) 粵ICP備20036160號-1 川公網安備51012102000311
用微信聯(lián)系客服